四部门发文推动汽车行业数字化转型
2025-12-30 21:32:03 中国新闻网四部门发文推动汽车行业数字化转型
中新社北京12月30日电 (记者 刘育英)记者30日从中国工业和信息化部获悉,工业和信息化部、教育部、国家市场监管总局、国家数据局等四部门联合印发《汽车行业数字化转型实施方案》(以下简称《方案》),推动汽车行业数字化转型、智能化升级。

图片来源于网络,如有侵权,请联系删除
工信部有关负责人表示,近年来,中国汽车行业数字化转型持续深化,加速向数字化、网络化、智能化演进,但仍存在顶层设计不足、数据要素应用不充分、零部件中小企业转型较慢等问题。
《方案》提出,目标到2027年,整车标杆企业智能制造能力成熟度等级提升一档,零部件企业数字化水平显著提升,研发设计工具普及率超95%,关键工序数控化率超70%;行业全员劳动生产率较2025年提升10%,产品研发周期及交付周期缩短20%;打造可复制推广的智能工厂样板,培育20家以上行业智能制造系统解决方案供应商。到2030年,行业整体数智化发展达到较高水平,数字化与业务深度融合。
《方案》部署诊断评估与改进提升行动、汽车零部件中小企业数字化转型赋能行动、典型场景与人工智能应用示范行动、产业主体梯度培育与矩阵构建行动、标准体系完善与互联互通保障行动、关键技术攻关与基础能力强化行动等六项重点任务。

图片来源于网络,如有侵权,请联系删除
《方案》明确,加速关键环节人工智能应用拓展。支持企业在研发设计、生产制造、经营管理等环节深度集成人工智能技术,打造汽车行业大模型和丰富智能体应用;组织行业“人工智能+”应用行动,遴选一批人工智能创新应用标杆案例;推动智能机器人在焊接、喷涂、总装等环节规模化应用,打造汽车行业具身智能示范产线。(完)
来源:中国新闻网

图片来源于网络,如有侵权,请联系删除
编辑:张嘉怡
广告等商务合作,请点击这里
本文为转载内容,授权事宜请联系原著作权人
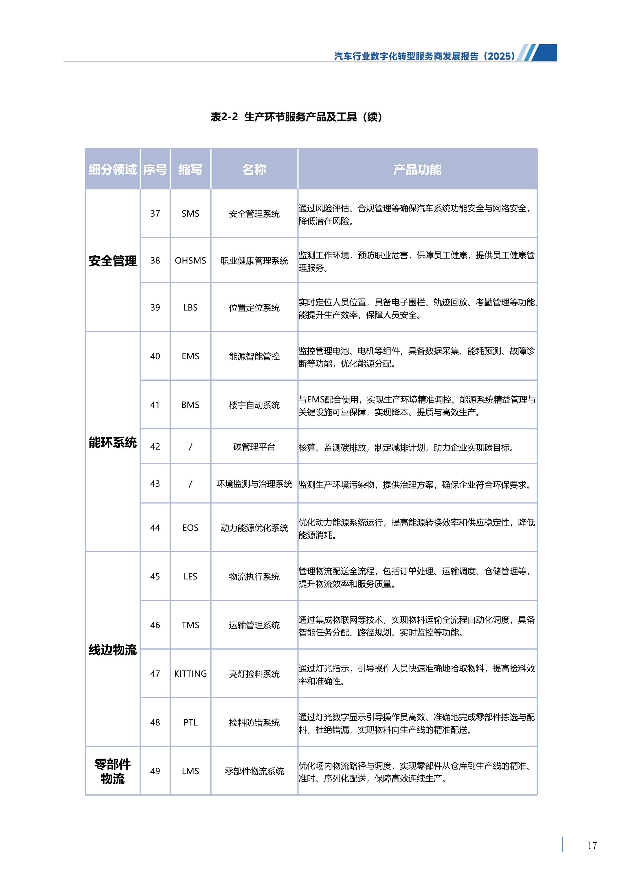
中新经纬版权所有,未经书面授权,任何单位及个人不得转载、摘编或以其它方式使用。 关注中新经纬微信公众号(微信搜索“中新经纬”或“jwview”),看更多精彩财经资讯。